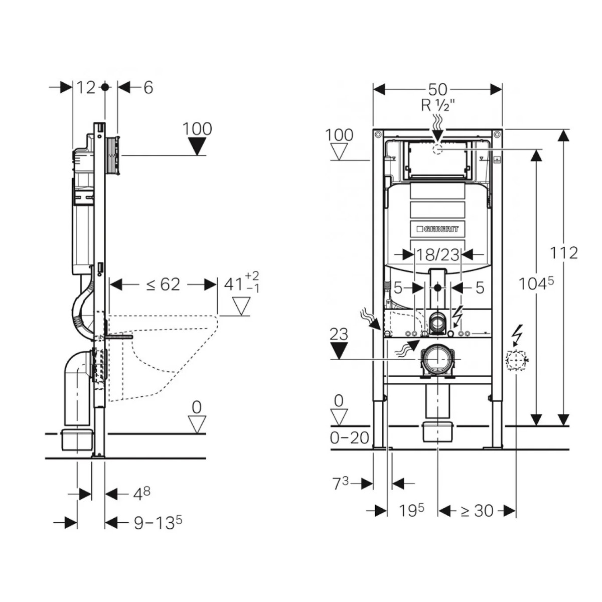
Geberit Duofix iebūvējamais rāmis podam:
- Zemapmetuma poda rāmis bez pogas.
- Ģipškartona starpsienu konstrukcijai.
- Sienas tualetes podiem ar izvirzījumu līdz 62 cm.
- Vienrežīma, divrežīmu vai stop-and-go noskalošanai.
- Grīdas konstrukcijām, 0–20 cm.
- Pašnesošs rāmis ar pulverkrāsas pārklājumu.
- Rāmis ar urbumiem, ø 9 mm, paredzēts stiprināšanai koka karkasā.
- Rāmis ir sagatavots papildu atbalsta kronšteinu uzstādīšanai, kuri ir nepieciešami nestandarta keramikas tualetes podiem ar nelielu kontakvirsmu .
Skalojamā kaste Sigma (UP320) tilpums 6/3 l.
- Zemapmetuma skalojamā tvertne ar taustiņa noskalošanu no priekšpuses.
- Zemapmetuma skalojamā tvertne ar kondensāta izolāciju.
- Ar rūpnīcas iestatījumu iespējama tūlītēja noskalošana.
- Zemapmetuma skalojamā tvertnes montāžas un tehniskā stāvokļa uzturēšanas darbi, neizmantojot instrumentus.
- Ūdens pieslēgums aizmugurē vai augšpusē, centrā.
- Servisa atveres aizsargkārba nodrošina aizsardzību pret mitrumu un netīrumiem.
RU
LV
