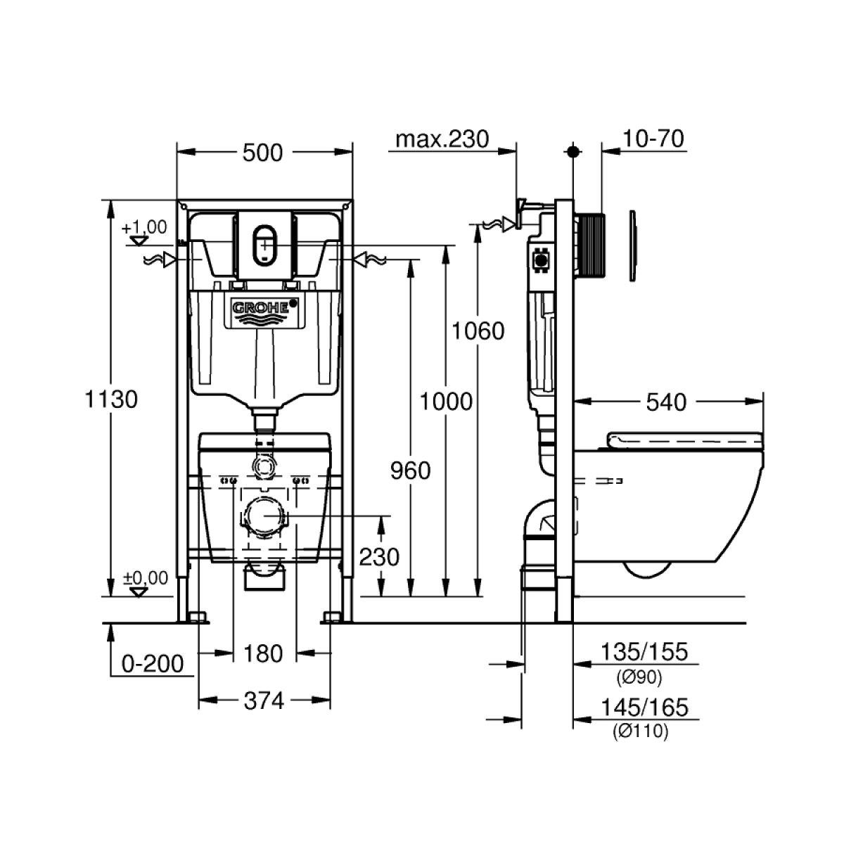
Grohe Solido 5-in-1 Komplekts ar skalošanas cisternu GD 2, 6 - 9L.
Komplektācija:
-
Rapid SL Rāmis tualetei (38 528 001).
-
Arena Cosmopolitan taustiņš, hromēts, vertikāla uzstādīšana (38 844 000).
-
Euro Ceramic Piekaramais tualetes pods ar Trple Vortex ūdens nolaišanas tehnoloģīju (39 328 000).
-
Euro Ceramic poda sēdriņķis ar vāku, SC/QR (39 330 002).
-
2 sienas kronšteini ar stiprinājuma materiālu.
-
Skaņas izolācijas blīve (37 131 000).
LV
RU
